Primary tabs

Unique samples or just super weird?

https://mcss.wustl.edu/xml/article/14736/rss.xml
20493
Unique samples or just super weird?

Unique samples or just super weird?

Zoltán Váci, a McDonnell Center Postdoctoral Fellow, is working on unique, potentially revolutionary samples that he admits might just be super weird. He is in the first year of a two-year fellowship and works primarily with Professors Mike Krawczynski, Ryan Ogliore, and Kun Wang, fellows of the McDonnell Center from the departments of Earth and Planetary Sciences and Physics. According to Professor Brad Jolliff, director of the McDonnell Center for the Space Sciences, “Zoltan is exactly the kind of postdoctoral associate that works well within the Center. He can capitalize on the expertise and laboratories of several different Center faculty and research groups to address a difficult problem in meteoritics and what his samples can reveal about their parent body in the solar system.” 

Zoltán Váci is in the first year of a two-year postdoctoral fellowship with the McDonnell Center for the Space Sciences.

His career path hasn’t always been a straight line, so why should his research be? Zoltán started his academic career with degrees in history and philosophy, followed by geological sciences. When he grew beyond his childhood dream of becoming an astronaut, he became fascinated with theoretical physics and cosmology, and a desire to understand the universe around him. With the big picture questions in his sights – who are we, why are we here, and what makes up the universe – he pursued a doctorate in planetary science. Now he is on a quest to understand the construction of small planetary bodies and geologic processes by studying specific meteorites to determine how they formed and where they may have come from.

Specifically, he is working on samples that are thought to be from the asteroid Vesta. While it is no easy task to determine the parent bodies of meteorites without any geological context, Zoltán’s research moves beyond simply identifying a space rock’s origin. Luckily, learning about space exploration and planetary materials isn't all that different from studying geological specimens from Earth. Because the same processes that occur in asteroids also occur inside the Earth, the value of working with Krawczynski and his group is the crossover between what they study and learn in igneous petrology and terrestrial volcanism, rocks formed from magma, and how this translates to small samples that come from space. “It’s great to work with meteorites because you get to have the Earth-level experience of holding the sample in your hand. It’s the best of both worlds because I get to play with space stuff without sacrificing the analytical rigor that we can apply to Earth materials.”

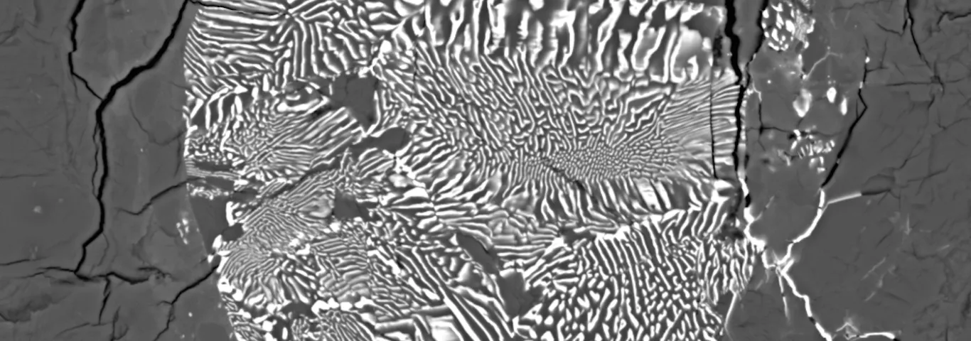
Image of symplectite found n the meteorite Northwest Africa 12217
Symplectite found in the meteorite Northwest Africa 12217

The thing that Zoltán enjoys the most in his research is looking at new and weird samples that are unique in some way – samples that continue to fuel his desire to answer the big questions. He is continuing his work on a set of olivine-rich meteorites that he started working on at the University of New Mexico. They are part of the Howardite-Eucrite-Diogenite (HED) meteorite group, which are thought to originate from the asteroid Vesta. But this direct connection to Vesta is not completely confirmed, so he carefully introduces his research as samples that are “possibly from Vesta or from a Vesta-like object (Vestoids).” There really isn’t anything quite like these samples, so Zoltán has taken on the task of characterizing them to flesh out the picture of their evolution and origin.

Many other researchers have worked on HED meteorite samples and there will be new results based on ongoing studies at different universities and research consortia with experts using all sorts of analytical equipment. Zoltán says that in this type of effort there are big questions that are rarely solved by flying solo. One of the benefits of working across the departmental lines with Krawczynski, Wang, and Ogliore is that each person brings different expertise to the table. In addition, this fellowship has expanded his experimental skills with Krawczynski’s empiricist attitude of “Let’s do the experiment, see what happens, and then we’ll think about it more once we have some results.” 

So, how does someone study unique objects from weird parent bodies? One of the keys is working in fantastic labs with great lab managers, like Paul Carpenter and Hélène Couvy. The instrumentation Zoltán uses includes a one atmosphere gas mixing furnace that can take a rock sample up to about 1600 degrees Celsius, a variety of high-pressure apparatuses like piston cylinders (basically a big hydraulic press), and several electron microscopes including an electron microprobe. The experimental lab is able to tailor petrological experiments to the highly specific formation conditions of these samples.

According to Professor Mike Krawczynski, “Zoltán brings a wealth of technical expertise and energy to our research groups; by bridging different labs and different techniques in a common goal, the research he has accomplished is greater than the sum of the parts.”

Sometimes the features in meteorites are too small even for scanning electron microscopy, but the processes revealed at the nanometer scale can be very important. In this case, he works with Ryan Ogliore’s team using focused ion beam sample preparation. This method allows him to cut a tiny slab, about one tenth of the width of a human hair, out of a meteorite, for analysis using the transmission electron microscope (TEM) at the Institute for Materials Science and Engineering. “I feel extremely empowered by the enthusiasm for expanding the scope of my experimental methodology that seems to be the norm here. Last week I thought a sample might contain features too small even for TEM, and our lab group was quick to suggest using an atom probe, which can analyze individual atoms and is frankly beyond my comprehension as a scientist – so far.”

Zoltán’s current set of samples have features called symplectites, which are found in the mantles and lower crusts of planetary bodies. He has been trying to replicate the symplectites, working from the hypothesis that there is some sort of fluid-rock interaction, potentially involving a metallic or sulfide melt, that created these unique features. “Symplectites are kind of enigmatic and they’re found in many other materials but no one really agrees on how they form. We are mixing compositions and adding different volatiles but so far we’ve just been ruling things out.” 

These symplectites have an elusive chemical composition and that is why Zoltán says Professor Krawczynski’s approach is so helpful; many people would just say this is so poorly understood that it is hard to know where to begin. "Right now, my biggest problem is keeping this weird sulfide-rich melt from escaping its graphite capsule and alloying with the platinum jacket,” says Zoltán. He is committed to preserving the melt composition so that he can analyze it and say something about the symplectite-forming process other than “symplectites are formed by symplectite-forming processes. The resources are here, and I can focus on figuring out the problem of what the symplectite-forming process is. I like taking on something that no one understands, and the challenge is just part of the process of being a scientist."